2024年高考化学试卷(湖南)(空白卷)

第1页 / 共11页

第2页 / 共11页

第3页 / 共11页

第4页 / 共11页
该文档为免费文档,您可直接下载完整版进行阅读
2024年高考化学试卷(湖南)(空白卷)-初高中资料试题文库
2024年高考化学试卷(湖南)(空白卷)
此内容为免费资源,请登录后查看
0
免费资源
THE END
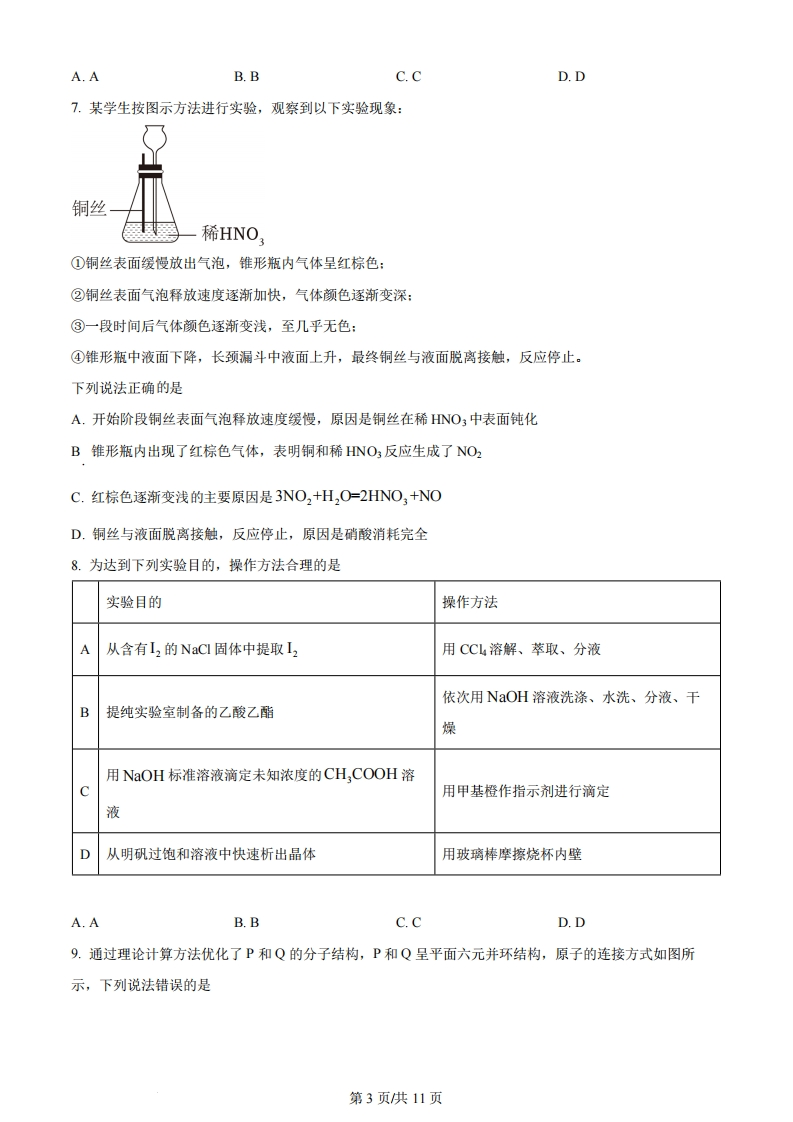
化学试题可能用到的相对原子质量:H1C12N14016C135.5Cu64一、选择题:本题共14小题,每小题3分,共42分。在每小题给出的四个选项中,只有一项是符合题目要求的。1.近年来,我国新能源产业得到了蓬勃发展,下列说法错误的是A.理想的新能源应具有资源丰富、可再生、对环境无污染等特点B.氢氧燃料电池具有能量转化率高、清洁等优点C.锂离子电池放电时锂离子从负极脱嵌,充电时锂离子从正极脱嵌D.太阳能电池是一种将化学能转化为电能的装置2.下列化学用语表述错误的是A.NaOH的电子式:Na[:O:H]一CH一CH3B.异丙基的结构简式:CH;8c8C.NaCl溶液中的水合离子:o888D.Cl2分子中o键的形成:轨道相互靠拢轨道相互重叠形成共价单键3.下列实验事故的处理方法不合理的是实验事故处理方法A被水蒸气轻微烫伤先用冷水处理,再涂上烫伤药膏B稀释浓硫酸时,酸溅到皮肤上用3-5%的NaHCO3溶液冲洗C苯酚不慎沾到手上先用乙醇冲洗,再用水冲洗D不慎将酒精灯打翻着火用湿抹布盖灭A.AB.BC.cD.D第1页供11页4.下列有关化学概念或性质的判断错误的是A.CH,分子是正四面体结构,则CH2CI2没有同分异构体B.环己烷与苯分子中C-H键的键能相等C.甲苯的质谱图中,质荷比为92的峰归属于CHD.由RN+与PF5组成的离子液体常温下呈液态,与其离子的体积较大有关5.组成核酸的基本单元是核苷酸,下图是核酸的某一结构片段,下列说法错误的是H,CNHH0-P-0-CH20KH HHH0=P-0-CH2OH!.A.脱氧核糖核酸(DNA)和核糖核酸RNA)结构中的碱基相同,戊糖不同B.碱基与戊糖缩合形成核苷,核苷与磷酸缩合形成核苷酸,核苷酸缩合聚合得到核酸C.核苷酸在一定条件下,既可以与酸反应,又可以与碱反应D.核酸分子中碱基通过氢键实现互补配对6.下列过程中,对应的反应方程式错误的是《天工开物》记载用炉甘石2Znc0,+c商逼2Zn+3c0↑(ZnCO3)火法炼锌BCaH2用作野外生氢剂CaH2 +2H2O=Ca(OH),+2H2饱和Na,CO3溶液浸泡锅炉CCaso,(s)+co(aq)Caco,(s)+S(aq)水垢绿矾(FeSO,·7H,O)处理酸6Fe2++Cr,0号+14H=6Fe++2Cr++7H,0性工业废水中的C,O第2页供11页A.AB.BC.CD.D7.某学生按图示方法进行实验,观察到以下实验现象:铜丝稀HNO①铜丝表面缓慢放出气泡,锥形瓶内气体呈红棕色:②铜丝表面气泡释放速度逐渐加快,气体颜色逐渐变深:③一段时间后气体颜色逐渐变浅,至几乎无色:④锥形瓶中液面下降,长颈漏斗中液面上升,最终铜丝与液面脱离接触,反应停止。下列说法正确的是A.开始阶段铜丝表面气泡释放速度缓慢,原因是铜丝在稀HNO3中表面钝化B锥形瓶内出现了红棕色气体,表明铜和稀HNO3反应生成了NO2C.红棕色逐渐变浅的主要原因是3NO,+H,O=2HNO,+NOD.铜丝与液面脱离接触,反应停止,原因是硝酸消耗完全8.为达到下列实验目的,操作方法合理的是实验目的操作方法A从含有I2的NaCI固体中提取I2用CCL溶解、萃取、分液依次用NaOH溶液洗涤、水洗、分液、干B提纯实验室制备的乙酸乙酯燥用NaOH标准溶液滴定未知浓度的CH,COOH溶用甲基橙作指示剂进行滴定液D从明矾过饱和溶液中快速析出晶体用玻璃棒摩擦烧杯内壁A.AB.BC.CD.D9.通过理论计算方法优化了P和Q的分子结构,P和Q呈平面六元并环结构,原子的连接方式如图所示,下列说法错误的是第3页供11页
喜欢就支持一下吧
点赞5 分享